北京華光科達科技有限公司
聯系人:丁經理
手機:18611715668
E-mail:bjhgkd@163.com
地址:北京市通州區北苑155號
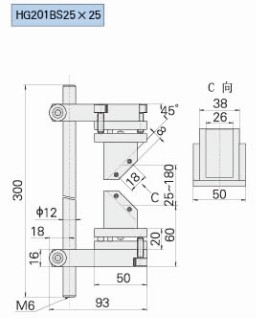
HG201BS25×25 型光束轉折器
發布時間:2012-05-28 05:25:36 人氣:1182 來源:本站

主要特征:
● 夾持棱鏡;
● 二維傾斜調整;
● M6×0.25 細牙螺桿調節;
● 碟簧復位;
● φ12 直徑標準系列接桿固定。
技術指標:
|
光束提升高度(mm)
|
180
|
|
|
裝卡尺寸(mm)
|
25×25
|
|
|
傾斜調整范圍
|
θx
|
±4°
|
|
θy
|
±4°
|
|
|
鏡座轉角
|
θz
|
360°
|
|
自重(kg)
|
0.8
|
|
上一篇:HG110BS系列光束轉折器
下一篇:HG301BS系列光束轉折器
相關新聞
- 電動位移臺的構成和工作形式 2022-09-09
- 使用手動平移臺的相關注意事項是什么 2022-09-09
- 電控位移臺的特點是什么? 2022-09-09
- 高精度電動位移臺是從什么時候走入到消費者視線 2022-09-09
- 交叉導軌的潤滑使用事項 2022-09-09
- 手動位移臺在工作中的三大特點 2022-09-09
- 怎樣保證電動位移的良好使用功能 2022-09-09
- 旋轉臺的6大特點,值得關注! 2022-09-09
- 手動位移臺的使用特點 2022-09-09
- 升降臺的工業應用及其如何保養維護 2022-09-09


客服